Delayed shutdown of the 24v relay (aftermarket spindle)

Without the x1 it’s the same thing.
Without the dc+ it works (vdf and the pump, not the trm01).
So that’s what I thought you need an extra 24v power supply (I had already started a search and a diagram last night)

I already have the pump, suction and a light.
Is there anything else useful to plug in?

Hey Fred,

in my VFD control cabinet I will use besides the VFD itself, (I already bought everything) the EMI filter that came with my VFD, the brake resistor matching my VFD, a Omron G9SE safety relay for which I have a red mushroom-shaped emergency stop button, a reset button to reset estop mode (important), and of course a short-circuit safe, high current 2-position rotary switch to turn the entire appliance on (35 A current, 2000 A short-circuit safe), a relay module for coolant pump and one for dust collection (the one that I plan to make myself in a DIN-rail compatible housing), a 24 V power supply for DIN rail to supply the relays and the safety relay, a 120 mm fan to the outside and a fan controller with temperature sensor, a 32 A MCCB, and of course terminal blocks, cable ducts and DIN rails. And stranded wire in different colors and sizes, and wire ferrules and ring connectors.

There is a thread in this forum where I listed what could be needed in a control cabinet:

I also put a IEC 60309 three-pin 32 A socket on the bottom of the case, so that it can be disconnected from wall for transport (my VFD is rated 24 A):

Hey Fred,

it remains mysterious why the behaviour is reversed so that PD052=02 works. Usually when a load is connected to the “nomally open” output and FB is connected to +24 V, PD052=01 should work and PD052=02 should do the inverse.

But I can only look at the PDf manual:

You see, the FA/FB/FC symbol is rather cryptic. What it is intended to mean is:

NO_NC__50pct
Image 1: These are the standard symbols according to IEC 60617 for “normally open” and “normally closed” switches. So what we seem to see in the Huanyang Basic diagram is:

Image 2: How I understand the symbol in Huanyang’s Basic Diagram above

But who knows, maybe NO and NC are reversed. It seems so – according to the behaviour you report.

1 Like

I can try Monday to cross fc and fa to see.
But not tomorrow my wife and my neighbors are going to kill me.

1 Like

Hey Fred,

then happy weekend!

:slight_smile:

You too and thank for the help

1 Like

I’m looking for a power supply, but I’m wondering if I should keep the 10 amps of the trm01 and the vdf relay or if I can have a lower amperage.

Hey Fred,

if it’s about selecting the wattage of a 24 V DC power supply, you can consider that with this blue relay on the timer module at the moment you only switch your FOTEK SSR control input which is a one-digit amount of mA, so it’s totally overdimensionated with its rated 10 A. That’s what I meant earlier in the thread, you don’t really need a relay cascade, the little driver transistor on the TRM01 module could also feed your SSR directly, with no need of the blue relay. But as you have to rely on ready-made parts, you use it this way, but the power consumption of the entire timer module should in practice not exceed a few hundreds of mA. You have the microcontroller, a driver transistor, and the control coil of the blue relay, that’s not much current in total. The 10 A is only the value for what you can switch with the blue relay, it’s not what the module consumes. If the pump you want to switch is rated less than 10 A, you can skip the SSR entirely and use only the module with the blue relay to switch it on and off. It’s just if you want to switch something more powerful, e.g. a dust collector/shop vac, that you need a 20 A or more relay (be it electromagnetic or solid state relay)

The 24 V power supply I bought is a 75 W / 3.2 A, (Meanwell SDR-75-24) but it has lots of reserve just in case I would feed a lot of additional toys in the control cabinet, a 24 W / 1 A would also do, for a few relays etc. The G9SE safety relay is rated 3 W. A Omron G4A power relay for switching dust collection on at 24 V is rated 37.5 mA which is 0.9 W, just as examples.

My pump and my vacuum cleaner are both 230v, so I need the SSR to link the 24v from the vdf to the 230v that powers the two devices.
Thanks for the confirmation, since it’s a control circuit and not a power supply, that’s what I thought.

1 Like

the blue relay on the timer module can switch up to 250 V AC too, but only 10 A.

That of the vdf also then it is the same.
SRD-24VDC-SL-C
Does that mean I could remove the ssr from my mount?
Good between electronics and English for the info I am far from my skills. :grinning:

Hey Fred,

if you don’t exceed the 250 V AC 10 A that you can read on the blue relay, yes. I have only the picture of the offer, you got to read what’s written on the relay in real.

Hi.

Normally the food arrives tomorrow.
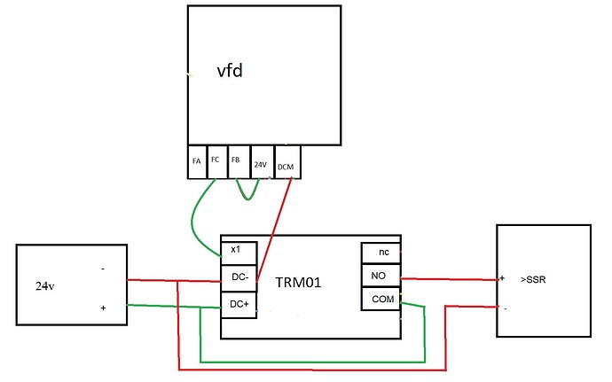
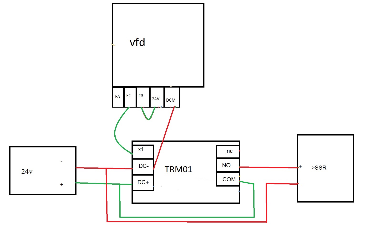
That would be the connection?

Hey Fred,

I used the image that I used previously and modified it:

(I rotated the TRM01 so that its relay output points to the relay side. If we would be totally correct, the VFD would be on the left and the relays on the right, according to the rule “inputs left, outputs right” :slight_smile: but it was simpler for me to modify the previous image. I could also make a real circuit diagram, but I have not yet created a symbol for the TRM01 at the moment)

I hope that the X1 input works this way. :thinking:

PS: Ah I see your relay wiring is correct, you just flipped the colors! Better follow the conventions: Red should always be used for positive voltage, black for ground/negative.

1 Like

Sorry i don’t know the electrical drawing conventions.
On the other hand to be honest I have searched in vain I do not see the difference in the wiring :thinking:

yes, you are right. I was just confused because of the red to minus! :slight_smile:

Hi.

It’s ok, everything is working as expected.
Thanks for the help.

1 Like